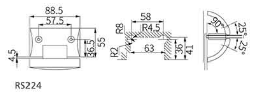
RS224 玻璃铰

  • 主要材质:
  • 表面处理:铜(光铬、拉丝镍)
  • 开关次数:100,000 times
  • 承重力:45KG以下

返回列表 咨询购买 资料下载

产品详情 / Product Details