P R O D U C T W O R L D
返回列表 咨询购买 资料下载
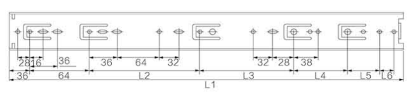
RGW-1603 带阻力三节滚珠道轨
级别:精品类 场景:厨房、商用、卧室
RGW-1603B 带阻力三节滚珠道轨
RGW-1603C 带阻力三节滚珠道轨
RGW-1606 隐藏式缓冲滑轨
RGW-1607 侧板抽屉轨