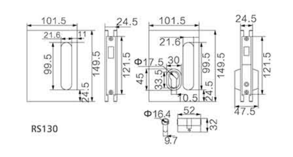
RS130 玻璃门锁

  • 主要材质:锌合金+钢
  • 表面处理:砂光,镜光
  • 适应范围:10-12mm玻璃门

返回列表 咨询购买 资料下载

产品详情 / Product Details