P R O D U C T W O R L D
返回列表 咨询购买 资料下载
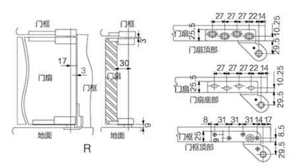
RS-958 双缸液压缓冲式地弹簧
级别:精品类 场景:厨房、商用、卧室
RDZ-01 地轴
RS-05 单缸液压缓冲式地弹簧
RS-07 单缸液压缓冲式地弹簧
RS-10 单缸液压缓冲式地弹簧
RS-11 单缸液压缓冲式地弹簧